SKF轴承
专业经销滚针轴承
当前位置 : 滚针轴承 » 型号搜索 » SKF RN-3x13.8 BF/G2轴承

SKF RN-3x13.8BF/G2轴承

SKF RN-3x13.8BF/G2轴承图纸及尺寸参数
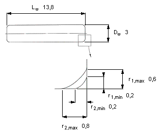
主要尺寸
  • Dw
  • 3
  • mm
  • -
  • Lw
  • 13.8
  • -
  • 最小
  • 0.2
  • mm
  • -
  • 最大
  • 0.6
  • mm
  • -
  • 最大
  • 0.8
  • mm
  • -
重量
  • 重量
  • 770
  • g
  • -
型号
  • 型号
  • RN-3x13.8 BF/G2
  • -
轴承RN-3x13.8 BF/G2详细说明
我司是SKF轴承特约合作伙伴,专业销售SKF RN-3x13.8BF/G2轴承,为客户提供尺寸图纸、基本参数、批量采购报价或更多滚针轴承产品目录!我们长期库存SKF RN-3x13.8 BF/G2轴承,我司在保税区设有大型仓库,存量大,品种齐全,公司密切与国外厂商合作,为客户提供选型和最佳应用方案!咨询热线:
相关型号
推荐型号
应用行业
SKF FIR-324020-1轴承广泛应用于矿山机械、专用铣床、农业、电焊、切割设备、压缩机、橡胶机械酒店设备、干燥设备、石油设备、玩具加工设备 等领域。