SKF轴承
专业经销滚针轴承
当前位置 : 滚针轴承 » 型号搜索 » SKF LR 12x15x22.5轴承

SKF LR12x15x22.5轴承

SKF LR12x15x22.5轴承图纸及尺寸参数
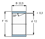
主要尺寸
  • d
  • 12
  • mm
  • -
  • F
  • 15
  • mm
  • -
  • B
  • 22.5
  • mm
  • -
  • 最小
  • 0.3
  • mm
  • -
重量
  • 重量
  • 11
  • g
  • -
型号
  • 型号
  • LR 12x15x22.5
  • -
  • -
轴承LR 12x15x22.5详细说明
我司是SKF轴承特约合作伙伴,专业销售SKF LR12x15x22.5轴承,为客户提供尺寸图纸、基本参数、批量采购报价或更多滚针轴承产品目录!我们长期库存SKF LR 12x15x22.5轴承,我司在保税区设有大型仓库,存量大,品种齐全,公司密切与国外厂商合作,为客户提供选型和最佳应用方案!咨询热线:
相关型号
推荐型号
应用行业
SKF Q-8119轴承广泛应用于数控钻床、工控系统及装备电子产品制造设备、制鞋机械、木工车床、矿物加工、钢铁、火力发电与油气田、地矿勘测设备、卧式车床 等领域。