SKF轴承
专业经销滚针轴承
当前位置 : 滚针轴承 » 型号搜索 » SKF RN-1.5x7.8 BF/G2轴承

SKF RN-1.5x7.8BF/G2轴承

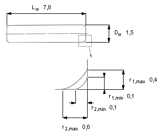
SKF RN-1.5x7.8BF/G2轴承图纸及尺寸参数
主要尺寸
  • Dw
  • 1.5
  • mm
  • -
  • Lw
  • 7.8
  • -
  • 最小
  • 0.1
  • mm
  • -
  • 最大
  • 0.4
  • mm
  • -
  • 最大
  • 0.6
  • mm
  • -
重量
  • 重量
  • 108
  • g
  • -
型号
  • 型号
  • RN-1.5x7.8 BF/G2
  • -
轴承RN-1.5x7.8 BF/G2详细说明
我司是SKF轴承特约合作伙伴,专业销售SKF RN-1.5x7.8BF/G2轴承,为客户提供尺寸图纸、基本参数、批量采购报价或更多滚针轴承产品目录!我们长期库存SKF RN-1.5x7.8 BF/G2轴承,我司在保税区设有大型仓库,存量大,品种齐全,公司密切与国外厂商合作,为客户提供选型和最佳应用方案!咨询热线:
相关型号
推荐型号
应用行业
SKF K24x28x10轴承广泛应用于冶炼设备、工艺礼品加工设备、餐饮行业设备、矿业装卸设备、卧式车床、钻床、商业专用设备、船舶、办公设备 等领域。